50 câu hỏi 60 phút
50 câu hỏi 60 phút
45 câu hỏi 60 phút
50 câu hỏi 60 phút
22 câu hỏi 60 phút
50 câu hỏi 60 phút
50 câu hỏi 60 phút
50 câu hỏi 60 phút
50 câu hỏi 60 phút
50 câu hỏi 60 phút
50 câu hỏi 60 phút
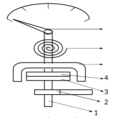
Để kim đồng hồ không dao động trong quá trình vận hành, một giải pháp hiệu quả là điền đầy silicon dưới roto kim. Silicon sẽ tạo ra lực cản, giúp giảm thiểu dao động của kim. Các phương án khác không liên quan trực tiếp đến việc giảm dao động của kim: việc dây dẫn chạm mass hoặc đứt mạch sẽ gây ra lỗi trong hệ thống, và việc bắt chặt đồng hồ đo chỉ đảm bảo đồng hồ được cố định về mặt cơ học, không ảnh hưởng đến dao động của kim.
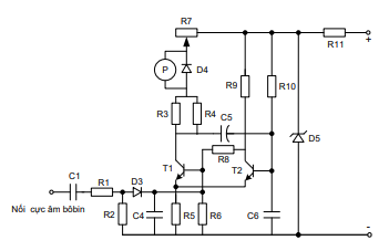
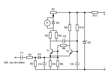
Câu hỏi này liên quan đến nguyên lý hoạt động của đồng hồ đo nhiên liệu kiểu cuộn dây chữ thập. Khi nhiên liệu còn một nửa, phao sẽ ở vị trí tương ứng, tác động đến điện trở cảm biến. Điện trở này sẽ ảnh hưởng đến dòng điện chạy qua các cuộn dây. Cụ thể, dòng qua W3, W4 giảm, điện trở cảm biến tăng lên, và từ trường tăng mạnh, dẫn đến sự thay đổi vị trí kim chỉ thị trên đồng hồ.
Khi nhiên liệu hết, điện trở của cảm biến tăng lên. Điều này ảnh hưởng đến dòng điện chạy qua các cuộn dây trong đồng hồ kiểu cuộn dây chữ thập. Cụ thể, dòng điện qua các cuộn W3 và W4 sẽ giảm xuống. Khi điện trở cảm biến tăng, từ trường sẽ tăng lên mạnh mẽ do sự thay đổi dòng điện. Do đó, đáp án đúng là dòng qua W3, W4 giảm, điện trở cảm biến tăng, từ trường tăng mạnh.
.png)
.png)
.png)
.png)
.png)
.png)
.png)