50 câu hỏi 60 phút
Đặc điểm của đồng hồ lưỡng kim là
Độ chính xác cao do sữ dụng ổn áp
Luôn hiển thị mức nhiên liệu khi tắt công tắc máy
Góc quay của kim nhỏ
Đặt tính bám tốt
Đồng hồ lưỡng kim sử dụng hai kim loại có hệ số giãn nở nhiệt khác nhau ghép lại. Khi nhiệt độ thay đổi, sự giãn nở khác nhau này tạo ra lực làm quay kim đồng hồ. Đặc điểm này làm cho góc quay của kim nhỏ. Các đặc điểm khác không liên quan đến nguyên lý hoạt động của đồng hồ lưỡng kim.
50 câu hỏi 60 phút
45 câu hỏi 60 phút
50 câu hỏi 60 phút
22 câu hỏi 60 phút
50 câu hỏi 60 phút
50 câu hỏi 60 phút
50 câu hỏi 60 phút
50 câu hỏi 60 phút
50 câu hỏi 60 phút
50 câu hỏi 60 phút
Đồng hồ lưỡng kim sử dụng hai kim loại có hệ số giãn nở nhiệt khác nhau ghép lại. Khi nhiệt độ thay đổi, sự giãn nở khác nhau này tạo ra lực làm quay kim đồng hồ. Đặc điểm này làm cho góc quay của kim nhỏ. Các đặc điểm khác không liên quan đến nguyên lý hoạt động của đồng hồ lưỡng kim.
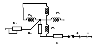
Đồng hồ kiểu cuộn dây chữ thập có hai cuộn dây chính, thường được ký hiệu là W1 và W2. Hai cuộn dây này được đặt trên cùng một trục và quấn ngược chiều nhau. Điều này tạo ra một từ trường xoay, làm cho kim đồng hồ di chuyển.
.png)
.png)
.png)
.png)