50 câu hỏi 60 phút
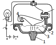
Đồng hồ kiểu cuộn dây chữ thập khi nhiên liệu đầy
Dòng qua W1, W2 giãm, điện trở cãm biến tăng
Dòng qua W1, W3 giãm, điện trở cãm biến tăng
Dòng qua W3, W4 tăng, điện trở cãm biến giãm
Dòng qua W3, W4 giãm, điện trở cãm biến giãm
Khi nhiên liệu đầy, dòng điện qua cuộn dây W3 và W4 giảm, dẫn đến điện trở của cảm biến giảm. Các cuộn dây trong đồng hồ đo nhiên liệu hoạt động dựa trên nguyên lý điện từ, và sự thay đổi mức nhiên liệu ảnh hưởng đến dòng điện chạy qua các cuộn dây này.
50 câu hỏi 60 phút
45 câu hỏi 60 phút
50 câu hỏi 60 phút
22 câu hỏi 60 phút
50 câu hỏi 60 phút
50 câu hỏi 60 phút
50 câu hỏi 60 phút
50 câu hỏi 60 phút
50 câu hỏi 60 phút
50 câu hỏi 60 phút
Khi nhiên liệu đầy, dòng điện qua cuộn dây W3 và W4 giảm, dẫn đến điện trở của cảm biến giảm. Các cuộn dây trong đồng hồ đo nhiên liệu hoạt động dựa trên nguyên lý điện từ, và sự thay đổi mức nhiên liệu ảnh hưởng đến dòng điện chạy qua các cuộn dây này.
.png)
.png)
.png)
.png)
.png)