JavaScript is required
Danh sách đề

300+ câu hỏi trắc nghiệm Điện tử tương tự có đáp án và mẹo nhớ nhanh - Đề 3

50 câu hỏi 60 phút

Thẻ ghi nhớ
Luyện tập
Thi thử
Nhấn để lật thẻ
1 / 50
Trong mạch khuếch đại, hồi tiếp gọi là song song nếu điện áp hồi tiếp
A. Tỷ lệ với dòng điện đầu ra
B. Mắc song song với điện áp vào
C. Tỷ lệ với điện áp đầu ra
D. Mắc song song với điện áp ra
Đáp án
Đáp án đúng: B
Hồi tiếp song song (hay còn gọi là hồi tiếp dòng điện) trong mạch khuếch đại được gọi như vậy vì điện áp hồi tiếp được đưa trở lại mạch vào ở dạng mắc song song với điện áp vào. Điều này có nghĩa là tín hiệu hồi tiếp được so sánh hoặc trộn lẫn với tín hiệu đầu vào ở một nút chung, nơi cả hai tín hiệu có cùng điện thế. Do đó, đáp án đúng là điện áp hồi tiếp "Mắc song song với điện áp vào".

Danh sách câu hỏi:

Câu 1:

Trong mạch khuếch đại, hồi tiếp gọi là song song nếu điện áp hồi tiếp
Lời giải:
Đáp án đúng: B
Hồi tiếp song song (hay còn gọi là hồi tiếp dòng điện) trong mạch khuếch đại được gọi như vậy vì điện áp hồi tiếp được đưa trở lại mạch vào ở dạng mắc song song với điện áp vào. Điều này có nghĩa là tín hiệu hồi tiếp được so sánh hoặc trộn lẫn với tín hiệu đầu vào ở một nút chung, nơi cả hai tín hiệu có cùng điện thế. Do đó, đáp án đúng là điện áp hồi tiếp "Mắc song song với điện áp vào".
Lời giải:
Đáp án đúng: A
Hồi tiếp là quá trình lấy một phần tín hiệu đầu ra của bộ khuếch đại và đưa trở lại đầu vào. Mục đích của hồi tiếp là để cải thiện các đặc tính của bộ khuếch đại, chẳng hạn như tăng độ ổn định, giảm méo hài, hoặc thay đổi trở kháng vào/ra. Như vậy, câu phát biểu trong câu hỏi là sai. Hồi tiếp không phải là đưa tín hiệu đầu vào tới đầu ra mà ngược lại, đưa một phần tín hiệu đầu ra về đầu vào.
Lời giải:
Đáp án đúng: A
Trong ba cấu hình khuếch đại cơ bản (chung emitter, chung collector, chung base), cấu hình chung collector (còn gọi là mạch lặp emitter) có trở kháng vào lớn nhất. Tầng khuếch đại góp chung (chung collector) có trở kháng vào lớn nhất, do đó câu trả lời "Đúng".
Lời giải:
Đáp án đúng: B
Nguồn ổn áp được sử dụng để cung cấp điện áp ổn định cho mạch tạo dao động. Điều này giúp đảm bảo rằng biên độ và tần số của tín hiệu ra được duy trì ổn định, không bị ảnh hưởng bởi sự biến đổi của điện áp nguồn vào. Do đó, việc sử dụng nguồn ổn áp là cần thiết để mạch tạo dao động hoạt động ổn định và tạo ra tín hiệu ra có chất lượng tốt.
Lời giải:
Đáp án đúng: B
Mạch tạo dao động cần một phần tử tích cực để cung cấp năng lượng bù lại các mất mát trong mạch và duy trì dao động. Tranzito hoặc vi mạch là các phần tử tích cực thường được sử dụng để khuếch đại tín hiệu và tạo dao động ổn định.
Lời giải:
Bạn cần đăng ký gói VIP để làm bài, xem đáp án và lời giải chi tiết không giới hạn. Nâng cấp VIP
Lời giải:
Bạn cần đăng ký gói VIP để làm bài, xem đáp án và lời giải chi tiết không giới hạn. Nâng cấp VIP
Lời giải:
Bạn cần đăng ký gói VIP để làm bài, xem đáp án và lời giải chi tiết không giới hạn. Nâng cấp VIP
Lời giải:
Bạn cần đăng ký gói VIP để làm bài, xem đáp án và lời giải chi tiết không giới hạn. Nâng cấp VIP

Câu 10:

Ở mạch hạn chế một phía dùng điốt, nếu đổi chiều điốt thì sẽ:

Lời giải:
Bạn cần đăng ký gói VIP để làm bài, xem đáp án và lời giải chi tiết không giới hạn. Nâng cấp VIP
Lời giải:
Bạn cần đăng ký gói VIP để làm bài, xem đáp án và lời giải chi tiết không giới hạn. Nâng cấp VIP
Lời giải:
Bạn cần đăng ký gói VIP để làm bài, xem đáp án và lời giải chi tiết không giới hạn. Nâng cấp VIP

Câu 13:

Để thực hiện điều chế thì tần số của tải tin:
Lời giải:
Bạn cần đăng ký gói VIP để làm bài, xem đáp án và lời giải chi tiết không giới hạn. Nâng cấp VIP

Câu 14:

Đi ốt dùng để điều chế là loại điốt:
Lời giải:
Bạn cần đăng ký gói VIP để làm bài, xem đáp án và lời giải chi tiết không giới hạn. Nâng cấp VIP
Lời giải:
Bạn cần đăng ký gói VIP để làm bài, xem đáp án và lời giải chi tiết không giới hạn. Nâng cấp VIP
Lời giải:
Bạn cần đăng ký gói VIP để làm bài, xem đáp án và lời giải chi tiết không giới hạn. Nâng cấp VIP
Lời giải:
Bạn cần đăng ký gói VIP để làm bài, xem đáp án và lời giải chi tiết không giới hạn. Nâng cấp VIP

Câu 18:

Mạch hồi tiếp nối tiếp điện áp là mạch có điện áp hồi tiếp

Lời giải:
Bạn cần đăng ký gói VIP để làm bài, xem đáp án và lời giải chi tiết không giới hạn. Nâng cấp VIP

Câu 19:

Mạch hồi tiếp song song điện áp là mạch có điện áp hồi tiếp
Lời giải:
Bạn cần đăng ký gói VIP để làm bài, xem đáp án và lời giải chi tiết không giới hạn. Nâng cấp VIP

Câu 20:

Mạch khuếch đại dải rộng là mạch
Lời giải:
Bạn cần đăng ký gói VIP để làm bài, xem đáp án và lời giải chi tiết không giới hạn. Nâng cấp VIP
Lời giải:
Bạn cần đăng ký gói VIP để làm bài, xem đáp án và lời giải chi tiết không giới hạn. Nâng cấp VIP

Câu 22:

Mạch vi phân là mạch mà điện áp đầu ra tỷ lệ với:
Lời giải:
Bạn cần đăng ký gói VIP để làm bài, xem đáp án và lời giải chi tiết không giới hạn. Nâng cấp VIP
Lời giải:
Bạn cần đăng ký gói VIP để làm bài, xem đáp án và lời giải chi tiết không giới hạn. Nâng cấp VIP

Câu 24:

Mạch dao động 3 điểm điện cảm có:

Lời giải:
Bạn cần đăng ký gói VIP để làm bài, xem đáp án và lời giải chi tiết không giới hạn. Nâng cấp VIP

Câu 25:

Tụ CS mắc nối tiếp với thạch anh trong mạch dao động sin là để:

Lời giải:
Bạn cần đăng ký gói VIP để làm bài, xem đáp án và lời giải chi tiết không giới hạn. Nâng cấp VIP
Lời giải:
Bạn cần đăng ký gói VIP để làm bài, xem đáp án và lời giải chi tiết không giới hạn. Nâng cấp VIP
Lời giải:
Bạn cần đăng ký gói VIP để làm bài, xem đáp án và lời giải chi tiết không giới hạn. Nâng cấp VIP

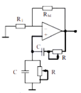
Câu 28:

Trong mạch đa hài tự dao động dùng bộ khuếch đại thuật toán dưới đây có R1 = R2 thì tần số xung ra:

Lời giải:
Bạn cần đăng ký gói VIP để làm bài, xem đáp án và lời giải chi tiết không giới hạn. Nâng cấp VIP

Câu 29:

Trong mạch dao động nghẹt cuộn dây ở cực góp và cực gốc phải cuốn ngược nhau để:
Lời giải:
Bạn cần đăng ký gói VIP để làm bài, xem đáp án và lời giải chi tiết không giới hạn. Nâng cấp VIP
Lời giải:
Bạn cần đăng ký gói VIP để làm bài, xem đáp án và lời giải chi tiết không giới hạn. Nâng cấp VIP
Lời giải:
Bạn cần đăng ký gói VIP để làm bài, xem đáp án và lời giải chi tiết không giới hạn. Nâng cấp VIP

Câu 32:

Tạp âm đầu thu của tín hiệu đơn biên so vói tín hiệu điều biên thông thường sẽ.
Lời giải:
Bạn cần đăng ký gói VIP để làm bài, xem đáp án và lời giải chi tiết không giới hạn. Nâng cấp VIP

Câu 33:

Trong tín hiệu điều biên
Lời giải:
Bạn cần đăng ký gói VIP để làm bài, xem đáp án và lời giải chi tiết không giới hạn. Nâng cấp VIP
Lời giải:
Bạn cần đăng ký gói VIP để làm bài, xem đáp án và lời giải chi tiết không giới hạn. Nâng cấp VIP
Lời giải:
Bạn cần đăng ký gói VIP để làm bài, xem đáp án và lời giải chi tiết không giới hạn. Nâng cấp VIP
Lời giải:
Bạn cần đăng ký gói VIP để làm bài, xem đáp án và lời giải chi tiết không giới hạn. Nâng cấp VIP
Lời giải:
Bạn cần đăng ký gói VIP để làm bài, xem đáp án và lời giải chi tiết không giới hạn. Nâng cấp VIP

Câu 38:

Điện áp chuẩn trong mạch ổn áp một chiều được tạo ra nhờ:
Lời giải:
Bạn cần đăng ký gói VIP để làm bài, xem đáp án và lời giải chi tiết không giới hạn. Nâng cấp VIP

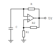
Câu 39:

Mạch điện như hình vẽ là:

Lời giải:
Bạn cần đăng ký gói VIP để làm bài, xem đáp án và lời giải chi tiết không giới hạn. Nâng cấp VIP

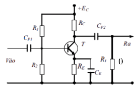
Câu 40:

Trong mạch điện ở hình dưới RE ; CE có tác dụng:

Lời giải:
Bạn cần đăng ký gói VIP để làm bài, xem đáp án và lời giải chi tiết không giới hạn. Nâng cấp VIP
Lời giải:
Bạn cần đăng ký gói VIP để làm bài, xem đáp án và lời giải chi tiết không giới hạn. Nâng cấp VIP

Câu 42:

Tải một chiều trong tầng khuếch đại cực góp chung (CC) là:

Lời giải:
Bạn cần đăng ký gói VIP để làm bài, xem đáp án và lời giải chi tiết không giới hạn. Nâng cấp VIP

Câu 43:

So với mạch chuyển đổi D/A dùng thang điện trở, mạch dùng mạng điện trở:
Lời giải:
Bạn cần đăng ký gói VIP để làm bài, xem đáp án và lời giải chi tiết không giới hạn. Nâng cấp VIP
Lời giải:
Bạn cần đăng ký gói VIP để làm bài, xem đáp án và lời giải chi tiết không giới hạn. Nâng cấp VIP
Lời giải:
Bạn cần đăng ký gói VIP để làm bài, xem đáp án và lời giải chi tiết không giới hạn. Nâng cấp VIP
Lời giải:
Bạn cần đăng ký gói VIP để làm bài, xem đáp án và lời giải chi tiết không giới hạn. Nâng cấp VIP
Lời giải:
Bạn cần đăng ký gói VIP để làm bài, xem đáp án và lời giải chi tiết không giới hạn. Nâng cấp VIP
Lời giải:
Bạn cần đăng ký gói VIP để làm bài, xem đáp án và lời giải chi tiết không giới hạn. Nâng cấp VIP
Lời giải:
Bạn cần đăng ký gói VIP để làm bài, xem đáp án và lời giải chi tiết không giới hạn. Nâng cấp VIP
Lời giải:
Bạn cần đăng ký gói VIP để làm bài, xem đáp án và lời giải chi tiết không giới hạn. Nâng cấp VIP