26 câu hỏi 60 phút
50 câu hỏi 60 phút
45 câu hỏi 60 phút
50 câu hỏi 60 phút
22 câu hỏi 60 phút
50 câu hỏi 60 phút
50 câu hỏi 60 phút
50 câu hỏi 60 phút
50 câu hỏi 60 phút
50 câu hỏi 60 phút
50 câu hỏi 60 phút
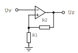
Khi bộ khuếch đại thuật toán (Operational Amplifier - Op-Amp) hoạt động trong điều kiện lý tưởng, với nguồn nuôi đối xứng ±E và điện thế ở cả hai đầu vào bằng 0 (điều kiện đầu vào vi sai bằng 0), thì điện thế đầu ra sẽ bằng 0. Điều này là do Op-Amp cố gắng duy trì sự cân bằng giữa hai đầu vào. Nếu điện áp đầu vào vi sai bằng 0, điện áp đầu ra lý tưởng cũng sẽ là 0.
.png)