JavaScript is required
Danh sách đề

400+ câu hỏi trắc nghiệm Kỹ thuật mạch điện tử có lời giải chi tiết từng bước - Đề 8

50 câu hỏi 60 phút

Thẻ ghi nhớ
Luyện tập
Thi thử
Nhấn để lật thẻ
1 / 50

Để thực hiện điều chế thì tần số của tải tin:

A.

Rất nhỏ hơn tần số của tin tức

B.

Rất lớn hơn tần số của tin tức

C.

Có thể chọn tuỳ ý

D.

Bằng tần số của tin tức

Đáp án
Đáp án đúng: B
Điều chế (modulation) là quá trình thay đổi một hoặc nhiều đặc tính của sóng mang (tải tin) theo tín hiệu tin tức. Mục đích của điều chế là để truyền tín hiệu tin tức đi xa hơn, hiệu quả hơn và cho phép sử dụng nhiều kênh truyền đồng thời. Để thực hiện điều chế hiệu quả, tần số của sóng mang (tải tin) phải lớn hơn rất nhiều so với tần số của tín hiệu tin tức. Nếu tần số sóng mang nhỏ hơn hoặc bằng tần số tín hiệu tin tức, quá trình điều chế sẽ không thể diễn ra hoặc sẽ tạo ra tín hiệu bị méo mó, không thể giải điều chế được.

Danh sách câu hỏi:

Câu 1:

Để thực hiện điều chế thì tần số của tải tin:

Lời giải:
Đáp án đúng: B
Điều chế (modulation) là quá trình thay đổi một hoặc nhiều đặc tính của sóng mang (tải tin) theo tín hiệu tin tức. Mục đích của điều chế là để truyền tín hiệu tin tức đi xa hơn, hiệu quả hơn và cho phép sử dụng nhiều kênh truyền đồng thời. Để thực hiện điều chế hiệu quả, tần số của sóng mang (tải tin) phải lớn hơn rất nhiều so với tần số của tín hiệu tin tức. Nếu tần số sóng mang nhỏ hơn hoặc bằng tần số tín hiệu tin tức, quá trình điều chế sẽ không thể diễn ra hoặc sẽ tạo ra tín hiệu bị méo mó, không thể giải điều chế được.

Câu 2:

Điều chế là quá trình:

Lời giải:
Đáp án đúng: A
Điều chế là quá trình ghi (mã hóa) tín hiệu tin tức (tín hiệu có tần số thấp) vào một sóng mang cao tần bằng cách thay đổi (biến đổi) một hoặc nhiều thông số của sóng mang đó (ví dụ: biên độ, tần số, pha). Mục đích của điều chế là để truyền tín hiệu đi xa hơn và hiệu quả hơn. Do đó, đáp án đúng là 'Ghi tin tức vào 1 dao động cao tần nhờ biến đổi một thông số nào đó'.

Câu 3:

Điều chế là:

Lời giải:
Đáp án đúng: C
Điều chế là quá trình biến đổi tín hiệu tin tức (ví dụ: âm thanh, hình ảnh, dữ liệu) thành một dạng tín hiệu phù hợp hơn để truyền đi xa. Mục đích chính của điều chế là để tín hiệu tin tức có thể được truyền đi hiệu quả hơn, đặc biệt là qua các kênh truyền dẫn vô tuyến. Việc điều chế thường bao gồm việc thay đổi một hoặc nhiều thuộc tính của sóng mang (carrier wave), chẳng hạn như biên độ, tần số hoặc pha, theo tín hiệu tin tức. Điều này giúp tín hiệu dễ truyền đi hơn vì tần số của sóng mang thường cao hơn nhiều so với tần số của tín hiệu tin tức gốc, giúp nó truyền đi xa hơn và hiệu quả hơn. Vì vậy, đáp án phù hợp nhất là "Để dễ truyền tín hiệu".

Câu 4:

Mạch lọc thông cao lấy tín hiệu ra ở vùng tần số:

Lời giải:
Đáp án đúng: B
Mạch lọc thông cao (High-pass filter) là mạch cho phép các tín hiệu có tần số cao hơn tần số cắt đi qua và suy giảm các tín hiệu có tần số thấp hơn tần số cắt. Do đó, tín hiệu ra sẽ mạnh ở vùng tần số cao hơn tần số cắt.

Câu 5:

Đầu vào ký hiệu (+) của bộ khuếch đại thuật toán được gọi là:

Lời giải:
Đáp án đúng: A
Đầu vào ký hiệu (+) của bộ khuếch đại thuật toán (Op-Amp) được gọi là đầu vào không đảo (non-inverting input). Đầu vào này giữ nguyên pha của tín hiệu đầu vào, tức là nếu tín hiệu đầu vào tăng thì tín hiệu đầu ra cũng tăng (sau khi đã được khuếch đại). Các lựa chọn khác như 'đầu vào dao động', 'đầu vào đảo', và 'đầu vào không' không phải là tên gọi chính xác cho đầu vào (+).

Câu 7:

Thạch anh là loại linh kiện dùng để:

Lời giải:
Bạn cần đăng ký gói VIP để làm bài, xem đáp án và lời giải chi tiết không giới hạn. Nâng cấp VIP
Lời giải:
Bạn cần đăng ký gói VIP để làm bài, xem đáp án và lời giải chi tiết không giới hạn. Nâng cấp VIP
Lời giải:
Bạn cần đăng ký gói VIP để làm bài, xem đáp án và lời giải chi tiết không giới hạn. Nâng cấp VIP

Câu 10:

Cấu hình Emitter chung (EC) có đặc điểm:

Lời giải:
Bạn cần đăng ký gói VIP để làm bài, xem đáp án và lời giải chi tiết không giới hạn. Nâng cấp VIP

Câu 11:

Phương pháp bù nhiệt để ổn định điểm làm việc trong các sơ đồ ổn định phi tuyến, người ta có thể dùng Diode và transistor (cùng loại bán dẫn) để bù nhiệt cho nhau vì:

Lời giải:
Bạn cần đăng ký gói VIP để làm bài, xem đáp án và lời giải chi tiết không giới hạn. Nâng cấp VIP

Câu 12:

Mạch khuếch đại Darlington có đặc điểm:

Lời giải:
Bạn cần đăng ký gói VIP để làm bài, xem đáp án và lời giải chi tiết không giới hạn. Nâng cấp VIP
Lời giải:
Bạn cần đăng ký gói VIP để làm bài, xem đáp án và lời giải chi tiết không giới hạn. Nâng cấp VIP
Lời giải:
Bạn cần đăng ký gói VIP để làm bài, xem đáp án và lời giải chi tiết không giới hạn. Nâng cấp VIP
Lời giải:
Bạn cần đăng ký gói VIP để làm bài, xem đáp án và lời giải chi tiết không giới hạn. Nâng cấp VIP
Lời giải:
Bạn cần đăng ký gói VIP để làm bài, xem đáp án và lời giải chi tiết không giới hạn. Nâng cấp VIP
Lời giải:
Bạn cần đăng ký gói VIP để làm bài, xem đáp án và lời giải chi tiết không giới hạn. Nâng cấp VIP
Lời giải:
Bạn cần đăng ký gói VIP để làm bài, xem đáp án và lời giải chi tiết không giới hạn. Nâng cấp VIP

Câu 19:

Với mạch hình 2 sau thuộc loai hồi tiếp nào:

Lời giải:
Bạn cần đăng ký gói VIP để làm bài, xem đáp án và lời giải chi tiết không giới hạn. Nâng cấp VIP

Câu 20:

Mạch sau ở hình 3 thuộc loại hồi tiếp nào:

Lời giải:
Bạn cần đăng ký gói VIP để làm bài, xem đáp án và lời giải chi tiết không giới hạn. Nâng cấp VIP

Câu 21:

Mạch sau ở hình 4 thuộc loại hồi tiếp nào:

Lời giải:
Bạn cần đăng ký gói VIP để làm bài, xem đáp án và lời giải chi tiết không giới hạn. Nâng cấp VIP

Câu 22:

mạch khuếch đại dùng BJT ở hình 2 mắc theo loại nào:

Lời giải:
Bạn cần đăng ký gói VIP để làm bài, xem đáp án và lời giải chi tiết không giới hạn. Nâng cấp VIP
Lời giải:
Bạn cần đăng ký gói VIP để làm bài, xem đáp án và lời giải chi tiết không giới hạn. Nâng cấp VIP
Lời giải:
Bạn cần đăng ký gói VIP để làm bài, xem đáp án và lời giải chi tiết không giới hạn. Nâng cấp VIP
Lời giải:
Bạn cần đăng ký gói VIP để làm bài, xem đáp án và lời giải chi tiết không giới hạn. Nâng cấp VIP

Câu 26:

phát biểu nào sau đây là đúng, với mạch khuếch đại vi sai đảm bảo yêu cầu phải có:
Lời giải:
Bạn cần đăng ký gói VIP để làm bài, xem đáp án và lời giải chi tiết không giới hạn. Nâng cấp VIP

Câu 27:

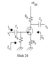
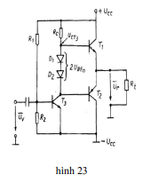
Với sơ đồ đẩy kéo ở hình 23 thì phát biểu nào sau đây là đúng:

Lời giải:
Bạn cần đăng ký gói VIP để làm bài, xem đáp án và lời giải chi tiết không giới hạn. Nâng cấp VIP
Lời giải:
Bạn cần đăng ký gói VIP để làm bài, xem đáp án và lời giải chi tiết không giới hạn. Nâng cấp VIP

Câu 29:

mạch nào sau đây cần một tác động kích hoạt từ bên ngoài để hoạt động
Lời giải:
Bạn cần đăng ký gói VIP để làm bài, xem đáp án và lời giải chi tiết không giới hạn. Nâng cấp VIP
Lời giải:
Bạn cần đăng ký gói VIP để làm bài, xem đáp án và lời giải chi tiết không giới hạn. Nâng cấp VIP

Câu 31:

mạch khuếch đại dùng BJT với cách mắc mạch nào thì tín hiệu ra sẽ cùng pha với tín hiệu vào:
Lời giải:
Bạn cần đăng ký gói VIP để làm bài, xem đáp án và lời giải chi tiết không giới hạn. Nâng cấp VIP
Lời giải:
Bạn cần đăng ký gói VIP để làm bài, xem đáp án và lời giải chi tiết không giới hạn. Nâng cấp VIP
Lời giải:
Bạn cần đăng ký gói VIP để làm bài, xem đáp án và lời giải chi tiết không giới hạn. Nâng cấp VIP
Lời giải:
Bạn cần đăng ký gói VIP để làm bài, xem đáp án và lời giải chi tiết không giới hạn. Nâng cấp VIP

Câu 35:

Cấu hình Emitter chung (EC) có đặc điểm:

Lời giải:
Bạn cần đăng ký gói VIP để làm bài, xem đáp án và lời giải chi tiết không giới hạn. Nâng cấp VIP
Lời giải:
Bạn cần đăng ký gói VIP để làm bài, xem đáp án và lời giải chi tiết không giới hạn. Nâng cấp VIP
Lời giải:
Bạn cần đăng ký gói VIP để làm bài, xem đáp án và lời giải chi tiết không giới hạn. Nâng cấp VIP
Lời giải:
Bạn cần đăng ký gói VIP để làm bài, xem đáp án và lời giải chi tiết không giới hạn. Nâng cấp VIP

Câu 39:

Xác định chế độ tĩnh của mạch khuếch đại ở hình 4 với RB =470KΩ, Rc =2.2KΩ, VCC = 20V và β = 100.

Lời giải:
Bạn cần đăng ký gói VIP để làm bài, xem đáp án và lời giải chi tiết không giới hạn. Nâng cấp VIP
Lời giải:
Bạn cần đăng ký gói VIP để làm bài, xem đáp án và lời giải chi tiết không giới hạn. Nâng cấp VIP
Lời giải:
Bạn cần đăng ký gói VIP để làm bài, xem đáp án và lời giải chi tiết không giới hạn. Nâng cấp VIP
Lời giải:
Bạn cần đăng ký gói VIP để làm bài, xem đáp án và lời giải chi tiết không giới hạn. Nâng cấp VIP
Lời giải:
Bạn cần đăng ký gói VIP để làm bài, xem đáp án và lời giải chi tiết không giới hạn. Nâng cấp VIP
Lời giải:
Bạn cần đăng ký gói VIP để làm bài, xem đáp án và lời giải chi tiết không giới hạn. Nâng cấp VIP

Câu 45:

tại sao cần phải xác định trở kháng vào của mỗi tầng trong bộ khuếch đại nhiều tầng.
Lời giải:
Bạn cần đăng ký gói VIP để làm bài, xem đáp án và lời giải chi tiết không giới hạn. Nâng cấp VIP
Lời giải:
Bạn cần đăng ký gói VIP để làm bài, xem đáp án và lời giải chi tiết không giới hạn. Nâng cấp VIP
Lời giải:
Bạn cần đăng ký gói VIP để làm bài, xem đáp án và lời giải chi tiết không giới hạn. Nâng cấp VIP

Câu 48:

biện pháp mở rộng dải tần của bộ khuếch đại là
Lời giải:
Bạn cần đăng ký gói VIP để làm bài, xem đáp án và lời giải chi tiết không giới hạn. Nâng cấp VIP

Câu 49:

tần số giới hạn trên của bộ khuếch đại dải rộng được xác định bởi các yếu tố nào:
Lời giải:
Bạn cần đăng ký gói VIP để làm bài, xem đáp án và lời giải chi tiết không giới hạn. Nâng cấp VIP
Lời giải:
Bạn cần đăng ký gói VIP để làm bài, xem đáp án và lời giải chi tiết không giới hạn. Nâng cấp VIP