JavaScript is required
Danh sách đề

400+ câu hỏi trắc nghiệm Kỹ thuật mạch điện tử có lời giải chi tiết từng bước - Đề 7

50 câu hỏi 60 phút

Thẻ ghi nhớ
Luyện tập
Thi thử
Nhấn để lật thẻ
1 / 50

VCO là mạch tạo dao động điều khiển tần số dao động bằng điện áp:

A.

Đúng

B.

Sai

C.

Không xác định được tùy thuộc vào ứng dụng

D.

Không chính xác

Đáp án
Đáp án đúng: A
VCO (Voltage-Controlled Oscillator) là mạch dao động mà tần số dao động của nó có thể được điều khiển bằng cách thay đổi điện áp đầu vào. Đây là định nghĩa cơ bản và là chức năng chính của mạch VCO.

Danh sách câu hỏi:

Câu 1:

VCO là mạch tạo dao động điều khiển tần số dao động bằng điện áp:

Lời giải:
Đáp án đúng: A
VCO (Voltage-Controlled Oscillator) là mạch dao động mà tần số dao động của nó có thể được điều khiển bằng cách thay đổi điện áp đầu vào. Đây là định nghĩa cơ bản và là chức năng chính của mạch VCO.

Câu 2:

Tần số dao động của mạch dao động ba điểm điện dung là:

Lời giải:
Đáp án đúng: D
Mạch dao động ba điểm điện dung có tần số dao động được xác định bởi công thức Thomson, trong đó điện dung tương đương của hai tụ điện mắc nối tiếp là \(\frac{{\mathop C\nolimits_1 \mathop C\nolimits_2 }}{{\mathop C\nolimits_1 + \mathop C\nolimits_2 }}\). Do đó, công thức tần số dao động là \(\mathop f\nolimits_{dd} = \frac{1}{{2\pi \sqrt {L\frac{{\mathop C\nolimits_1 \mathop C\nolimits_2 }}{{\mathop C\nolimits_1 + \mathop C\nolimits_2 }}} }}\).

Câu 3:

Mạch cộng đảo là mạch mà các tín hiệu cần cộng đưa vào cửa đảo:

Lời giải:
Đáp án đúng: C
Mạch cộng đảo (inverting adder) sử dụng các bộ khuếch đại thuật toán (op-amp) mắc theo cấu hình đảo. Trong cấu hình này, các tín hiệu đầu vào được đưa vào các ngõ vào đảo của op-amp thông qua các điện trở. Do đó, khẳng định "Mạch cộng đảo là mạch mà các tín hiệu cần cộng đưa vào cửa đảo" là đúng.

Câu 4:

Đưa điện áp ngoại sai vào cực E của transistor thường được dùng vì:

Lời giải:
Đáp án đúng: D
Việc đưa điện áp ngoại sai vào cực E của transistor thường được sử dụng để giảm ảnh hưởng giữa mạch tạo dao động và mạch vào. Đồng thời, nó cũng giúp mạch làm việc ổn định hơn. Do đó, đáp án chính xác là cả B và C.
Lời giải:
Đáp án đúng: B
Khi BJT (Bipolar Junction Transistor) dẫn bão hòa, điện áp giữa cực Collector và cực Emitter (VCE) giảm xuống rất thấp, gần như bằng 0. Giá trị điển hình của VCE khi bão hòa thường xấp xỉ 0.2V. Các giá trị 0.7V thường liên quan đến điện áp rơi trên diode hoặc điện áp VBE khi transistor dẫn thông thường, còn VCC là điện áp nguồn, và VB là điện áp tại cực Base, không liên quan trực tiếp đến VCE khi bão hòa.

Câu 6:

Hồi tiếp dương có đặc điểm sau:

Lời giải:
Bạn cần đăng ký gói VIP để làm bài, xem đáp án và lời giải chi tiết không giới hạn. Nâng cấp VIP
Lời giải:
Bạn cần đăng ký gói VIP để làm bài, xem đáp án và lời giải chi tiết không giới hạn. Nâng cấp VIP

Câu 8:

Ảnh hưởng của hồi tiếp âm đến trở kháng vào, phát biểu nào sau đây là đúng:

Lời giải:
Bạn cần đăng ký gói VIP để làm bài, xem đáp án và lời giải chi tiết không giới hạn. Nâng cấp VIP
Lời giải:
Bạn cần đăng ký gói VIP để làm bài, xem đáp án và lời giải chi tiết không giới hạn. Nâng cấp VIP

Câu 10:

Khi BJT mắc theo kiểu BC thì mạch có khả năng cung cấp:

Lời giải:
Bạn cần đăng ký gói VIP để làm bài, xem đáp án và lời giải chi tiết không giới hạn. Nâng cấp VIP

Câu 11:

Các tụ C1, C2 trong hình 2 có nhiệm vụ gì:

Lời giải:
Bạn cần đăng ký gói VIP để làm bài, xem đáp án và lời giải chi tiết không giới hạn. Nâng cấp VIP

Câu 12:

Khi vẽ sơ đồ tương đương đối với tín hiệu xoay chiều của mạch khuếch tín hệu nhỏ dùng transistor, ta thực hiện:

Lời giải:
Bạn cần đăng ký gói VIP để làm bài, xem đáp án và lời giải chi tiết không giới hạn. Nâng cấp VIP

Câu 13:

Trở kháng vào của toàn bộ mạch khuếch đại nhiều tầng được xác định:

Lời giải:
Bạn cần đăng ký gói VIP để làm bài, xem đáp án và lời giải chi tiết không giới hạn. Nâng cấp VIP

Câu 14:

Các mạch khuếch đại ghép trực tiếp có ưu điểm hơn so với mạch khuếch đại ghép RC là chúng có thể khuếch đại:

Lời giải:
Bạn cần đăng ký gói VIP để làm bài, xem đáp án và lời giải chi tiết không giới hạn. Nâng cấp VIP

Câu 15:

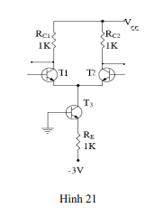
Mạch khuếch đai vi sai như hình 21, BJT T3 đóng vai trò gì trong mạch:

Lời giải:
Bạn cần đăng ký gói VIP để làm bài, xem đáp án và lời giải chi tiết không giới hạn. Nâng cấp VIP
Lời giải:
Bạn cần đăng ký gói VIP để làm bài, xem đáp án và lời giải chi tiết không giới hạn. Nâng cấp VIP
Lời giải:
Bạn cần đăng ký gói VIP để làm bài, xem đáp án và lời giải chi tiết không giới hạn. Nâng cấp VIP
Lời giải:
Bạn cần đăng ký gói VIP để làm bài, xem đáp án và lời giải chi tiết không giới hạn. Nâng cấp VIP

Câu 19:

ảnh hưởng của hồi tiếp đến trở kháng ra, phát biểu nào sau đây là đúng:
Lời giải:
Bạn cần đăng ký gói VIP để làm bài, xem đáp án và lời giải chi tiết không giới hạn. Nâng cấp VIP

Câu 20:

mạch khuếch đại dùng BJT ở hình 3 mắc theo loại nào:
Lời giải:
Bạn cần đăng ký gói VIP để làm bài, xem đáp án và lời giải chi tiết không giới hạn. Nâng cấp VIP
Lời giải:
Bạn cần đăng ký gói VIP để làm bài, xem đáp án và lời giải chi tiết không giới hạn. Nâng cấp VIP

Câu 22:

khi BJT mắc theo kiểu BC thì mạch có khả năng cung cấp:
Lời giải:
Bạn cần đăng ký gói VIP để làm bài, xem đáp án và lời giải chi tiết không giới hạn. Nâng cấp VIP
Lời giải:
Bạn cần đăng ký gói VIP để làm bài, xem đáp án và lời giải chi tiết không giới hạn. Nâng cấp VIP
Lời giải:
Bạn cần đăng ký gói VIP để làm bài, xem đáp án và lời giải chi tiết không giới hạn. Nâng cấp VIP

Câu 25:

trở kháng ra của toàn bộ mạch khuếch đại nhiều tầng được xác định:
Lời giải:
Bạn cần đăng ký gói VIP để làm bài, xem đáp án và lời giải chi tiết không giới hạn. Nâng cấp VIP

Câu 26:

trong thực tế các mạch khuếch đại ghép trực tiếp có thể dễ bị ảnh hưởng bởi vấn đề:
Lời giải:
Bạn cần đăng ký gói VIP để làm bài, xem đáp án và lời giải chi tiết không giới hạn. Nâng cấp VIP

Câu 27:

bộ khuếch đại chọn lọc có đặc điểm:
Lời giải:
Bạn cần đăng ký gói VIP để làm bài, xem đáp án và lời giải chi tiết không giới hạn. Nâng cấp VIP

Câu 28:

theo tính chất hồi tiếp, phát biểu nào sau đây đúng:

Lời giải:
Bạn cần đăng ký gói VIP để làm bài, xem đáp án và lời giải chi tiết không giới hạn. Nâng cấp VIP
Lời giải:
Bạn cần đăng ký gói VIP để làm bài, xem đáp án và lời giải chi tiết không giới hạn. Nâng cấp VIP

Câu 30:

hồi tiếp dương có đặc điểm sau:
Lời giải:
Bạn cần đăng ký gói VIP để làm bài, xem đáp án và lời giải chi tiết không giới hạn. Nâng cấp VIP
Lời giải:
Bạn cần đăng ký gói VIP để làm bài, xem đáp án và lời giải chi tiết không giới hạn. Nâng cấp VIP
Lời giải:
Bạn cần đăng ký gói VIP để làm bài, xem đáp án và lời giải chi tiết không giới hạn. Nâng cấp VIP
Lời giải:
Bạn cần đăng ký gói VIP để làm bài, xem đáp án và lời giải chi tiết không giới hạn. Nâng cấp VIP

Câu 34:

Ảnh hưởng của hồi tiếp âm đến mạch khuếch đại như sau, phát biểu nào sau đây đúng:
Lời giải:
Bạn cần đăng ký gói VIP để làm bài, xem đáp án và lời giải chi tiết không giới hạn. Nâng cấp VIP

Câu 35:

Cấu hình Base chung (BC) có đặc điểm:

Lời giải:
Bạn cần đăng ký gói VIP để làm bài, xem đáp án và lời giải chi tiết không giới hạn. Nâng cấp VIP

Câu 36:

Các tụ C1, C2 trong hình 2 có nhiệm vụ gì:

Lời giải:
Bạn cần đăng ký gói VIP để làm bài, xem đáp án và lời giải chi tiết không giới hạn. Nâng cấp VIP

Câu 37:

RE trong hình 5 có nhiệm vụ gì:

 

Lời giải:
Bạn cần đăng ký gói VIP để làm bài, xem đáp án và lời giải chi tiết không giới hạn. Nâng cấp VIP
Lời giải:
Bạn cần đăng ký gói VIP để làm bài, xem đáp án và lời giải chi tiết không giới hạn. Nâng cấp VIP
Lời giải:
Bạn cần đăng ký gói VIP để làm bài, xem đáp án và lời giải chi tiết không giới hạn. Nâng cấp VIP
Lời giải:
Bạn cần đăng ký gói VIP để làm bài, xem đáp án và lời giải chi tiết không giới hạn. Nâng cấp VIP

Câu 41:

Xác định chế độ tĩnh của mạch khuếch đại ở hình 5 với RB = 470KΩ, Rc = 2.2KΩ, RE = 2.2KΩ, VCC =20V và β = 100.

Lời giải:
Bạn cần đăng ký gói VIP để làm bài, xem đáp án và lời giải chi tiết không giới hạn. Nâng cấp VIP
Lời giải:
Bạn cần đăng ký gói VIP để làm bài, xem đáp án và lời giải chi tiết không giới hạn. Nâng cấp VIP
Lời giải:
Bạn cần đăng ký gói VIP để làm bài, xem đáp án và lời giải chi tiết không giới hạn. Nâng cấp VIP
Lời giải:
Bạn cần đăng ký gói VIP để làm bài, xem đáp án và lời giải chi tiết không giới hạn. Nâng cấp VIP
Lời giải:
Bạn cần đăng ký gói VIP để làm bài, xem đáp án và lời giải chi tiết không giới hạn. Nâng cấp VIP
Lời giải:
Bạn cần đăng ký gói VIP để làm bài, xem đáp án và lời giải chi tiết không giới hạn. Nâng cấp VIP

Câu 47:

hệ số khuếch đại điện áp của toàn mạch khuếch đại nhiều tầng sẽ bằng với:
Lời giải:
Bạn cần đăng ký gói VIP để làm bài, xem đáp án và lời giải chi tiết không giới hạn. Nâng cấp VIP

Câu 48:

trở kháng vào của toàn bộ mạch khuếch đại nhiều tầng được xác định:
Lời giải:
Bạn cần đăng ký gói VIP để làm bài, xem đáp án và lời giải chi tiết không giới hạn. Nâng cấp VIP

Câu 49:

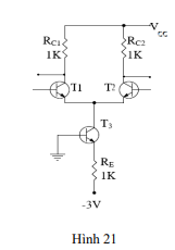
Mạch khuếch đai vi sai như hình 21, BJT T3 đóng vai trò gì trong mạch:

Lời giải:
Bạn cần đăng ký gói VIP để làm bài, xem đáp án và lời giải chi tiết không giới hạn. Nâng cấp VIP
Lời giải:
Bạn cần đăng ký gói VIP để làm bài, xem đáp án và lời giải chi tiết không giới hạn. Nâng cấp VIP