JavaScript is required
Danh sách đề

400+ câu hỏi trắc nghiệm Kỹ thuật mạch điện tử có lời giải chi tiết từng bước - Đề 3

50 câu hỏi 60 phút

Thẻ ghi nhớ
Luyện tập
Thi thử
Nhấn để lật thẻ
1 / 50

Hệ số khuếch đại đồng pha của bộ khuếch đại thuật toán là:

A.

Kcm= ∆Ur/∆Uv

B.

Kcm= ∆Ur/∆Ucm

C.

Kcm= ∆Ucm/∆Uv

D.

Kcm= ∆Ucm/∆U

Đáp án
Đáp án đúng: B
Hệ số khuếch đại đồng pha (Common-mode gain) Kcm được định nghĩa là tỷ số giữa sự thay đổi của điện áp đầu ra (∆Ur) so với sự thay đổi của điện áp đồng pha đầu vào (∆Ucm). Vì vậy, công thức đúng là Kcm = ∆Ur/∆Ucm.

Danh sách câu hỏi:

Câu 1:

Hệ số khuếch đại đồng pha của bộ khuếch đại thuật toán là:

Lời giải:
Đáp án đúng: B
Hệ số khuếch đại đồng pha (Common-mode gain) Kcm được định nghĩa là tỷ số giữa sự thay đổi của điện áp đầu ra (∆Ur) so với sự thay đổi của điện áp đồng pha đầu vào (∆Ucm). Vì vậy, công thức đúng là Kcm = ∆Ur/∆Ucm.

Câu 2:

Bộ khuếch đại thuật toán lý tưởng có:

Lời giải:
Đáp án đúng: D
Bộ khuếch đại thuật toán (Op-Amp) lý tưởng có các đặc điểm sau:

* UP = UN: Điện áp ở hai đầu vào (đảo và không đảo) bằng nhau. Điều này là do độ lợi vòng hở của Op-Amp lý tưởng là vô cùng lớn, nên để điện áp đầu ra có giá trị hữu hạn, hiệu điện thế giữa hai đầu vào phải tiến đến 0.
* ZV = 0: Trở kháng đầu ra bằng 0, cho phép Op-Amp cung cấp dòng điện không giới hạn mà không làm giảm điện áp đầu ra.
* Zr = ∞: Trở kháng đầu vào vô cùng lớn, nghĩa là Op-Amp không lấy bất kỳ dòng điện nào từ mạch nguồn.

Như vậy, cả A (UP = UN) và C (Zr = ∞) đều đúng.

Do đó, đáp án chính xác là D.

Câu 3:

Một bộ khuếch đại thuật toán lý tưởng có Zv=∞:

Lời giải:
Đáp án đúng: C

Trong một bộ khuếch đại thuật toán (Op-Amp) lý tưởng, trở kháng vào (Zv) được xem là vô cùng lớn (Zv = ∞). Điều này có nghĩa là Op-Amp lý tưởng không tiêu thụ dòng điện từ nguồn tín hiệu đầu vào. Do đó, đáp án "Đúng" là chính xác.

Câu 4:

Tín hiệu điều tần có:

Lời giải:
Đáp án đúng: A
Điều chế tần số (FM) có dải tần rộng hơn so với điều chế biên độ (AM). Điều này là do FM mã hóa thông tin vào tần số của sóng mang, trong khi AM mã hóa thông tin vào biên độ. Để truyền tải thông tin một cách hiệu quả, FM cần một dải tần rộng hơn.

Câu 5:

Mạch cộng thuận là mạch mà các tín hiệu cần cộng đưa vào cửa thuận:

Lời giải:
Đáp án đúng: B
Mạch cộng thuận (hay còn gọi là mạch khuếch đại cộng) là một loại mạch khuếch đại thuật toán (Op-Amp) được cấu hình sao cho tín hiệu đầu ra là tổng của các tín hiệu đầu vào, mỗi tín hiệu có thể được nhân với một hệ số khuếch đại riêng. Trong cấu hình cơ bản của mạch cộng thuận, các tín hiệu đầu vào được đưa vào các đầu vào đảo của Op-Amp thông qua các điện trở. Do đó, khẳng định mạch cộng thuận là mạch mà các tín hiệu cần cộng đưa vào cửa thuận là sai.

Câu 6:

Để tín hiệu ra có tần số ổn định các linh kiện của mạch tạo dao động phải có sai số nhỏ:

Lời giải:
Bạn cần đăng ký gói VIP để làm bài, xem đáp án và lời giải chi tiết không giới hạn. Nâng cấp VIP

Câu 7:

Hệ số khuếch đại dòng điện của mạch Base chung (BC):

Lời giải:
Bạn cần đăng ký gói VIP để làm bài, xem đáp án và lời giải chi tiết không giới hạn. Nâng cấp VIP

Câu 8:

Khi BJT mắc theo kiểu CC thì mạch có khả năng cung cấp:

Lời giải:
Bạn cần đăng ký gói VIP để làm bài, xem đáp án và lời giải chi tiết không giới hạn. Nâng cấp VIP

Câu 9:

Trong mạch phân cực phân áp ở hình, tại sao điện áp tại điểm nối R1 và R2 được xem là độc lập với dòng Base IB của BJT:

Lời giải:
Bạn cần đăng ký gói VIP để làm bài, xem đáp án và lời giải chi tiết không giới hạn. Nâng cấp VIP

Câu 10:

Trong thực tế các mạch khuếch đại ghép trực tiếp có thể dễ bị ảnh hưởng bởi vấn đề:

Lời giải:
Bạn cần đăng ký gói VIP để làm bài, xem đáp án và lời giải chi tiết không giới hạn. Nâng cấp VIP

Câu 11:

Mạch khuếch đại Kaskode có đặc điểm:

Lời giải:
Bạn cần đăng ký gói VIP để làm bài, xem đáp án và lời giải chi tiết không giới hạn. Nâng cấp VIP

Câu 12:

Biện pháp mở rộng dải tần của bộ khuếch đại là:

Lời giải:
Bạn cần đăng ký gói VIP để làm bài, xem đáp án và lời giải chi tiết không giới hạn. Nâng cấp VIP

Câu 13:

Tần số giới hạn trên của bộ khuếch đại dải rộng được xác định bởi các yếu tố nào:

Lời giải:
Bạn cần đăng ký gói VIP để làm bài, xem đáp án và lời giải chi tiết không giới hạn. Nâng cấp VIP

Câu 14:

Với tầng khuếch đại công suất, chế độ B có đặc điểm:

Lời giải:
Bạn cần đăng ký gói VIP để làm bài, xem đáp án và lời giải chi tiết không giới hạn. Nâng cấp VIP

Câu 15:

Ở chế độ tĩnh, dòng IB của mạch ở hình  được xác định theo công thức:

                                                                               

Lời giải:
Bạn cần đăng ký gói VIP để làm bài, xem đáp án và lời giải chi tiết không giới hạn. Nâng cấp VIP
Lời giải:
Bạn cần đăng ký gói VIP để làm bài, xem đáp án và lời giải chi tiết không giới hạn. Nâng cấp VIP
Lời giải:
Bạn cần đăng ký gói VIP để làm bài, xem đáp án và lời giải chi tiết không giới hạn. Nâng cấp VIP
Lời giải:
Bạn cần đăng ký gói VIP để làm bài, xem đáp án và lời giải chi tiết không giới hạn. Nâng cấp VIP

Câu 19:

hồi tiếp dương có đặc điểm sau:
Lời giải:
Bạn cần đăng ký gói VIP để làm bài, xem đáp án và lời giải chi tiết không giới hạn. Nâng cấp VIP
Lời giải:
Bạn cần đăng ký gói VIP để làm bài, xem đáp án và lời giải chi tiết không giới hạn. Nâng cấp VIP

Câu 21:

Mạch khuếch đại dùng BJT ở hình 3 mắc theo loại nào:

Lời giải:
Bạn cần đăng ký gói VIP để làm bài, xem đáp án và lời giải chi tiết không giới hạn. Nâng cấp VIP
Lời giải:
Bạn cần đăng ký gói VIP để làm bài, xem đáp án và lời giải chi tiết không giới hạn. Nâng cấp VIP
Lời giải:
Bạn cần đăng ký gói VIP để làm bài, xem đáp án và lời giải chi tiết không giới hạn. Nâng cấp VIP
Lời giải:
Bạn cần đăng ký gói VIP để làm bài, xem đáp án và lời giải chi tiết không giới hạn. Nâng cấp VIP

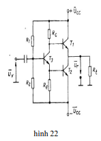
Câu 25:

Với sơ đồ đẩy kéo ở hình 22 thì phát biểu nào sau đây là sai:

Lời giải:
Bạn cần đăng ký gói VIP để làm bài, xem đáp án và lời giải chi tiết không giới hạn. Nâng cấp VIP

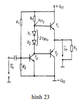
Câu 26:

Với sơ đồ đẩy kéo ở hình 23 thì hai diode D1, D2 có nhiệm vụ:

Lời giải:
Bạn cần đăng ký gói VIP để làm bài, xem đáp án và lời giải chi tiết không giới hạn. Nâng cấp VIP

Câu 27:

mạch nào sau đây không có trạng thái ổn định
Lời giải:
Bạn cần đăng ký gói VIP để làm bài, xem đáp án và lời giải chi tiết không giới hạn. Nâng cấp VIP
Lời giải:
Bạn cần đăng ký gói VIP để làm bài, xem đáp án và lời giải chi tiết không giới hạn. Nâng cấp VIP

Câu 29:

khi mạch khuếch đại bằng BJT được phân cực để hoạt động ở chế độ A thì:
Lời giải:
Bạn cần đăng ký gói VIP để làm bài, xem đáp án và lời giải chi tiết không giới hạn. Nâng cấp VIP
Lời giải:
Bạn cần đăng ký gói VIP để làm bài, xem đáp án và lời giải chi tiết không giới hạn. Nâng cấp VIP

Câu 31:

Mạch sau ở hình 3 thuộc loại hồi tiếp nào:

Lời giải:
Bạn cần đăng ký gói VIP để làm bài, xem đáp án và lời giải chi tiết không giới hạn. Nâng cấp VIP

Câu 32:

Mạch sau ở hình 4 thuộc loại hồi tiếp nào:

Lời giải:
Bạn cần đăng ký gói VIP để làm bài, xem đáp án và lời giải chi tiết không giới hạn. Nâng cấp VIP

Câu 33:

Mạch khuếch đại dùng BJT ở hình 3 mắc theo loại nào:

Lời giải:
Bạn cần đăng ký gói VIP để làm bài, xem đáp án và lời giải chi tiết không giới hạn. Nâng cấp VIP
Lời giải:
Bạn cần đăng ký gói VIP để làm bài, xem đáp án và lời giải chi tiết không giới hạn. Nâng cấp VIP
Lời giải:
Bạn cần đăng ký gói VIP để làm bài, xem đáp án và lời giải chi tiết không giới hạn. Nâng cấp VIP

Câu 36:

hệ số khuếch đại dòng điện của mạch Base chung (BC):
Lời giải:
Bạn cần đăng ký gói VIP để làm bài, xem đáp án và lời giải chi tiết không giới hạn. Nâng cấp VIP

Câu 37:

Xác định chế độ tĩnh của mạch ở hình 7 với R= 470KΩ, Rc = 2.2KΩ, RE = 2.2KΩ, VCC = 20V và β = 100.

Lời giải:
Bạn cần đăng ký gói VIP để làm bài, xem đáp án và lời giải chi tiết không giới hạn. Nâng cấp VIP
Lời giải:
Bạn cần đăng ký gói VIP để làm bài, xem đáp án và lời giải chi tiết không giới hạn. Nâng cấp VIP
Lời giải:
Bạn cần đăng ký gói VIP để làm bài, xem đáp án và lời giải chi tiết không giới hạn. Nâng cấp VIP
Lời giải:
Bạn cần đăng ký gói VIP để làm bài, xem đáp án và lời giải chi tiết không giới hạn. Nâng cấp VIP
Lời giải:
Bạn cần đăng ký gói VIP để làm bài, xem đáp án và lời giải chi tiết không giới hạn. Nâng cấp VIP
Lời giải:
Bạn cần đăng ký gói VIP để làm bài, xem đáp án và lời giải chi tiết không giới hạn. Nâng cấp VIP
Lời giải:
Bạn cần đăng ký gói VIP để làm bài, xem đáp án và lời giải chi tiết không giới hạn. Nâng cấp VIP

Câu 46:

trở kháng ra của toàn bộ mạch khuếch đại nhiều tầng được xác định:
Lời giải:
Bạn cần đăng ký gói VIP để làm bài, xem đáp án và lời giải chi tiết không giới hạn. Nâng cấp VIP

Câu 47:

trong thực tế các mạch khuếch đại ghép trực tiếp có thể dễ bị ảnh hưởng bởi vấn đề:
Lời giải:
Bạn cần đăng ký gói VIP để làm bài, xem đáp án và lời giải chi tiết không giới hạn. Nâng cấp VIP

Câu 48:

với tầng khuếch đại công suất, các transistor khuếch đại tín hiệu lớn có đặc tính làm việc:
Lời giải:
Bạn cần đăng ký gói VIP để làm bài, xem đáp án và lời giải chi tiết không giới hạn. Nâng cấp VIP

Câu 49:

Với sơ đồ đẩy kéo ở hình 23 thì phát biểu nào sau đây là đúng:

Lời giải:
Bạn cần đăng ký gói VIP để làm bài, xem đáp án và lời giải chi tiết không giới hạn. Nâng cấp VIP

Câu 50:

trong mạch phân cực phân áp ở hình, tại sao điện áp tại điểm nối R 1 và R 2 được xem là độc lập với dòng Base I B của BJT.
Lời giải:
Bạn cần đăng ký gói VIP để làm bài, xem đáp án và lời giải chi tiết không giới hạn. Nâng cấp VIP